Инновационное производство стального холодногнутого профиля для изготовления легких стальных конструкций (оборудование производства Германии).

Преимущества холодногнутого профиля:
— снижение затрат на несущие каркасы и фундаменты зданий, на транспортировку за счет снижения легкости конструкций;
— минимальные сроки строительства за счет точности размеров и простоты монтажа;
— долговечность оцинкованной стали(масса цинкового покрытия 275 г/м2).
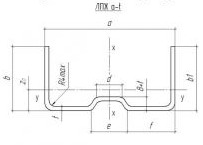
Виды выпускаемого ООО "Протос" профиля (толщина стенки 1,5 - 3,0 мм, максимальная длина профиля 8 метров):

— C-образный профиль и Σ-профиль (повышенной прочности)
Применяются в качестве основы для каркасов, колонн, перекрытий, ферм и стропильных конструкций сооружений различного назначения.

— П-образный профиль (равнополочный швеллер)
Применяется в качестве направляющего как совместно с С-профилем, так и самостоятельно.

— Z-образный профиль
Применяется в качестве несущих прогонов при монтаже кровельных и стеновых покрытий./p>
Изготавливаем все виды изделий по чертежам заказчика.
Качество холодногнутого профиля подтверждается документально в соответствии с ТУ ВУ 700010872.001-2011
